Back to Socket Head Shoulder Bolts Menu
Socket Head Shoulder Bolts
DIN SB 912
THREADS: ISO 262
(coarse series only)

  1. Material - High grade alloy steel
  2. Hardness - Rc 36-43
  3. Tensile stress - 1100 M Pa based on minimum thread neck area (J min.)
  4. Shear stress - 600 M Pa
  5. Length Tolerance - Up to and including 10mm 0.09
    over 10mm 0.11
    over 18mm 0.13
    over 30mm 0.16
    over 50mm 0.19
    over 80mm 0.20
    over 100mm 0.22
    over 120 - 180mm 0.25
  6. Concentricity - Body to head O.D. within 0.1 TIR when checked in a ‘V’ block.
    Body to thread P.D. within 0.1 TIR when checked at a distance of 5.0 from the shoulder at the threaded end. Squareness, concentricity, parallelism, and bow of body to thread P.D. shall be within 0.05 TIR per centimeter of body length with a maximum of 0.5 when seated against the shoulder in a threaded bushing and checked on the body at a distance of 2.5 ‘B’ from the underside of the head.
  7. Squareness - The bearing surface of the head shall be perpendicular to the axis of the body within a maximum deviation of 2 degrees.

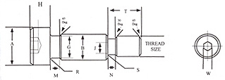
Dimensions

Application Data

Nom.

 

 

A

F

G

H

J

M

N

R

S

T

W

Recommended

 

Size (B)

Thread

 

 

 

 

 

 

 

 

 

 

 

 

Seating

Torque

Tap

Drill

mm

Size

Pitch

Max.

Min.

Max.

Max.

Min.

Max.

Max.

Max.

Max.

Max.

Nom.

N - m

in.-lbs.

Size

6.00

M5

0.8

10.00

2.4

5.62

4.50

3.70

1.85

2.40

0.35

0.66

9.75

3

7

60

4.2

8.00

M6

1.0

13.00

3.3

7.62

5.50

4.43

1.85

2.60

0.40

0.69

11.25

4

12

105

5.0

10.00

M8

1.25

16.00

4.1

9.62

7.00

6.06

1.85

2.80

0.50

0.80

13.25

5

29

255

6.75

12.00

M10

1.5

18.00

4.9

11.62

8.00

7.72

1.85

3.00

0.65

0.93

16.25

6

57

500

8.5

16.00

M12

1.75

24.00

6.2

15.62

10.00

9.38

1.85

4.00

0.80

1.03

18.25

8

100

885

10.25

20.00

M16

2.0

30.00

8.8

19.62

14.00

13.00

2.65

4.80

1.00

1.30

22.25

10

240

2125

14

24.00

M20

2.5

36.00

10.0

23.62

16.00

16.35

2.65

5.60

1.20

1.46

27.25

12

470

4160

17.5