
|
Back to Dog Point Socket Set Screw Menu
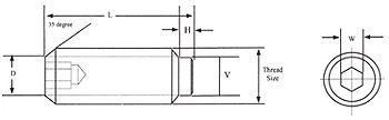
Dog Point Socket Set Screw
DIN 915
Grade 45H
(coarse series only)

-
Material — high grade alloy steel.
- Hardness — Rockwell C45 minimum (alloy)
- Corners of recess must have fillets to minimize stress concentrations.
|
|
Dimensions |
Application data |
|
Nom. |
|
D |
H
Max |
L
|
V |
W |
Recommended
Seating |
Tap |
|
Thread |
|
|
Short |
Long |
Min. |
|
|
Torque |
Drill |
|
Size |
Pitch |
Max. |
Length |
Length |
Preferred |
Max. |
Nom. |
N-m |
inch-lbs. |
Size |
|
M3 |
0.5 |
2.10 |
1.05 |
2.40 |
5.0 |
2.00 |
1.5 |
0.6 |
5.0 |
2.5 |
|
M4 |
0.7 |
2.75 |
1.20 |
2.80 |
5.0 |
2.50 |
2.0 |
2.0 |
18.0 |
3.3 |
|
M5 |
0.8 |
3.70 |
1.20 |
2.80 |
6.0 |
3.50 |
2.5 |
4.0 |
35.0 |
4.2 |
|
M6 |
1.00 |
4.35 |
1.25 |
3.15 |
6.0 |
4.00 |
3.0 |
7.0 |
62.0 |
5.0 |
|
M8 |
1.25 |
6.00 |
1.90 |
4.50 |
8.0 |
5.50 |
4.0 |
17.0 |
150.0 |
6.75 |
|
M10 |
1.50 |
7.40 |
2.00 |
4.90 |
8.0 |
7.00 |
5.0 |
34.0 |
300.0 |
8.5 |
|
M12 |
1.75 |
8.60 |
2.70 |
6.25 |
12.0 |
8.50 |
6.0 |
60.0 |
530.0 |
10.25 |
|
M16 |
2.00 |
12.35 |
3.55 |
8.15 |
16.0 |
12.00 |
8.0 |
150.0 |
1325.0 |
14.0 |
|
M20 |
2.50 |
16.00 |
3.25 |
7.85 |
20.0 |
15.00 |
10.0 |
300.0 |
2650.0 |
17.5 |
|
M24 |
3.00 |
18.95 |
3.95 |
9.65 |
22.0 |
18.00 |
12.0 |
475.0 |
4200.0 |
21.0 |
|