Back to Cup Point Socket Set Screw Menu
Cup Point Socket Set Screw

DIN 916
Grade 45H
(coarse series only)
Plain Cup and Knurled Cup Points

  1. Material — high grade alloy steel. Also available in stainless steel.
  2. Hardness — Rockwell C45 minimum (alloy)
  3. The cup angle is 135 degree maximum for screw lengths equal to or smaller than screw diameter. For longer lengths, the cup angle will be 125 degrees maximum.
  4. Corners of recess must have fillets to minimize stress concentrations.

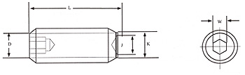
Dimensions

Application data

Nom.

 

D

J

Max

K

L

Min. Preferred

W

Recommended

Seating

Tap

Thread

 

 

Plain

Knurl

 

Plain

Knurl

 

Torque

Drill

Size

Pitch

Max.

Cup

Cup

Max.

Cup

Cup

Nom.

N-m

inch-lbs.

Size

Microsize — Similar to DIN 916 — Plain cup only

M1.6

0.35

1.0

0.80

2.0

0.7

0.08

0.7

1.25

M2

0.40

1.32

1.00

2.5

0.9

0.15

1.3

1.6

M2.5

0.45

1.75

1.20

3.0

1.3

0.42

3.7

2.05

Standard Size — Plain Cup Point is supplied unless Knurled Cup Point is specified.

M3

0.5

2.10

1.40

1.30

2.06

3.0

3.0

1.5

0.6

5.0

2.5

M4

0.7

2.75

2.00

2.10

2.74

3.0

3.0

2.0

2.0

18.0

3.3

M5

0.8

3.70

2.50

2.40

3.48

4.0

4.0

2.5

4.0

35.0

4.2

M6

1.0

4.35

3.00

3.30

4.14

4.0

5.0

3.0

7.0

62.0

5.0

M8

1.25

6.00

5.00

4.30

5.62

5.0

6.0

4.0

17.0

150.0

6.75

M10

1.5

7.40

6.00

5.25

7.12

6.0

8.0

5.0

34.0

300.0

8.5

M12

1.75

8.60

8.00

6.60

8.58

8.0

10.0

6.0

60.0

530.0

10.25

M16

2.0

12.35

10.00

9.10

11.86

12.0

14.0

8.0

150.0

1325.0

14.0

M20

2.5

16.00

14.00

11.50

14.83

16.0

18.0

10.0

300.0

2650.0

17.5

M24

3.0

18.95

16.00

14.65

17.80

20.0

20.0

12.0

475.0

4200.0

21.0